×

เราใช้คุกกี้ [cookie] เพื่อให้สามารถนำเสนอเนื้อหา สินค้าและบริการที่ตรงกับความสนใจของคุณ เพื่อเพิ่มความพึงพอใจและประสบการณ์การใช้งานเว็บไซต์ที่ดียิ่งขึ้น คุณสามารถศึกษารายละเอียด การใช้คุกกี้ได้ที่

ประกาศการใช้คุกกี้
Product Detail
Home > Semiconductors - Discrete > FETs & MOSFETs
Middle Power MOSFET N-Channel 60V/30A,20WProduct P/N: RQ3L090GNTB
RDS(on) 10.3mΩ Typ.ES P/N: 0176-1639-9
Built-in ESD Protection DiodeManufacturer: ROHM See more products
กำหนดสินค้าจะเข้าในครั้งถัดไป
QtyEstimate Arrival DateConfirm Arrival Date 
No
Documentation
Datasheet
Product Brochure-
Application Note-
จำนวนที่มีในสต็อก111
(Real time stock)
มีสินค้าที่คลังสินค้าราชพฤกษ์
(จัดส่งได้ทันที)
21
มีสินค้าที่สาขาบ้านหม้อ
(ใช้เวลาจัดส่งเพิ่มอีก 2 วันทำการ)
90
QuantityUnit Price THB
1 - 420.60
5 - 918.85
10 - 4917.92
50 - 9916.48
100 - 24915.86
250 - 49915.14
500 up14.42
ราคายังไม่รวมภาษีมูลค่าเพิ่ม 7%
ราคาต่อหน่วย: Pc.
จำนวนขั้นต่ำในการสั่งซื้อ: 1
 
Product Information
Product CategorySemiconductors - Discrete
FamilyFETs & MOSFETs
Product Part No.RQ3L090GNTB
ES Part No.0176-1639-9
ManufacturerROHM
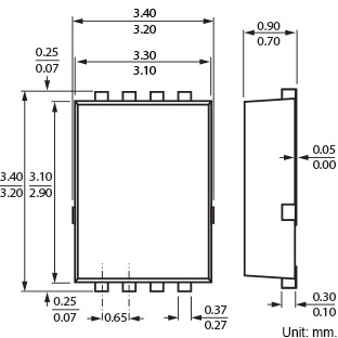
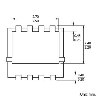
Package/CaseHSMT-8
Mfr PackageHSMT-8
PackagingTAPE & REEL
Qty/Packaging3000 (Pc.) / TAPE & REEL
Mfr_Std_pack
ES_Std_pack
UnitPc.
Weight (Gram)0.50
Warranty (year)-
PB-FreePB-Free
RoHSRoHS
Product Specification
FET TypeN-channel
Continuous Drain Current (Id@25(C))30A
RDS(on) (Max) @ Id,Vgs13.9mΩ @9A,10V
Drain - Source Voltage60V
Series-
VGS(th) @Id1.3 - 2.7V @1mA
Case StyleHSOP,HSMT
Mounting TypeSurface Mount